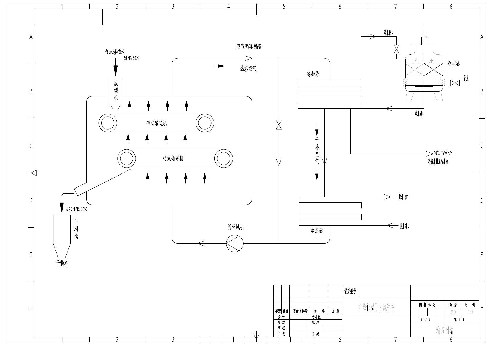
该模拟是以前公司的一个项目,由于在编程过程发现很多问题,因此才采用aspen进行模拟,模拟结果很好地指导了项目的进行,并且根据模拟结果绘制了物料和热平衡图。最后真诚地希望广大网友对该软件提出合理的建议,在此站长将对你的建议和意见表示诚挚的谢意和衷心的感谢。
如你有其他需求或对软件有什么建议的话,可以随时联系渝石网络站长,站长将及时地给予回答。同时你也可以在网站下载其相关资料,网站地址:http://www.fishsting.com/。
顺便做个广告,帮忙点击房屋出租。
学生:黄建春
2023年3月13日
2023年3月13日
